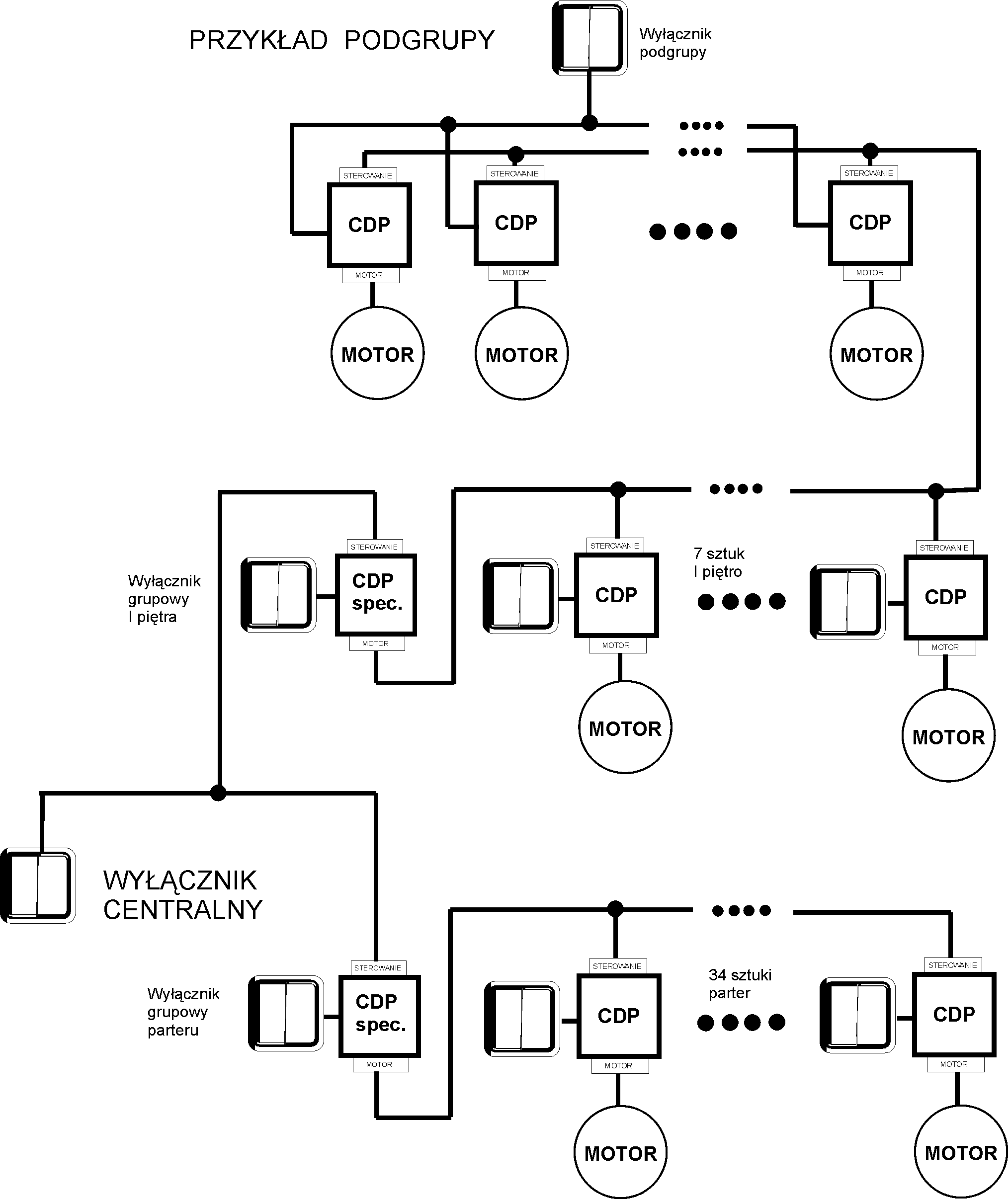
PRAKTYCZNE ZASTOSOWANIE STEROWNIKÓW CDP

Przykład sterowania żaluzjami w domu piętrowym

powrót